当前所在位置:首页>产品中心>齿轮泵>CBKA 齿轮泵

CBKA 齿轮泵

所属品牌:布赫 Bucher

产品型号:CBKA齿轮泵

CBKA齿轮泵系高压小排量齿轮油泵,由一对高强度齿轮、轴套、泵体、前盖、后盖等主要部件组成,轴向间隙由高精度浮动轴套自动补偿,使得CBKA齿轮泵具有高的机械效率和容积效率,该泵噪音低、重量功率比小,广泛应用于各种交流和直流液压动力单元和中小型液压系统。

  • 商品描述
  • 商品询价热度

CBKA 齿轮泵


CBKA齿轮泵系高压小排量齿轮油泵,由一对高强度齿轮、轴套、泵体、前盖、后盖等主要部件组成,轴向间隙由高精度浮动轴套自动补偿,使得CBKA齿轮泵具有高的机械效率和容积效率,该泵噪音低、重量功率比小,广泛应用于各种交流和直流液压动力单元和中小型液压系统。
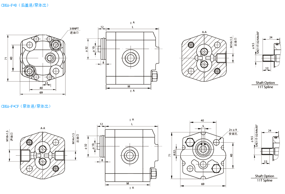
订货时应注意,CBKA系列齿轮泵有顺时针、逆时针两种转向及后盖进/前盖出、泵体进/后盖出、后盖进/泵体出、泵体进/泵体出、后盖进/后盖出五种进出油方式。

CBKA 齿轮泵

CBKA 齿轮泵尺寸图

CBKA-F*AF(泵体进/后盖出)

布赫Bucher CBKA-F*B(后盖进/泵体出)

技术参数


型 号
排 量
mL/r(in3/r)
压力(Mpa)
转速(RPM)
尺 寸
容积效率
P1
P2
P3
额定

L(mm)
M(mm)
CBKA-F0.63**
0.66(0.040)
20
25
28
2000
<4000
72.5
60.5
85%
CBKA-F0.8**
0.87(0.053)
73.3
61.3
CBKA-F1.2**
1.27(0.077)
74.8
62.8
86%
CBKA-F1.6**
1.66(0.101)
76.3
64.3
CBKA-F2.1**
2.11(0.129)
78
66
88%
CBKA-F2.5**
2.51(0.153)
79.5
67.5
CBKA-F2.7**
2.77(0.169)
80.5
68.5
CBKA-F3.2**
3.17(0.193)
82
70
89%
CBKA-F3.7**
3.7(0.225)
18
23
26
2000
<3600
84
72
CBKA-F4.2**
4.23(0.258)
86
74
90%
CBKA-F5**
5.0(0.305)
14
18
23
1500
<3000
89
77
CBKA-F6**
6.0(0.366)
93
81
CBKA-F8**
8.0(0.488)
10
14
18
100.5
88.5



今日已有    0016    人询价

发送邮件

商品评价